На сегодняшний день высоким спросом пользуются воздушные отопительные приборы разных моделей, размеров и назначение. Так, например, калориферы КПСк используются как один из элементов калориферной установки.
Они представляют собой паровой воздухонагреватель, который обеспечивает равномерный прогрев воздуха в вентиляционных системах различных складских, промышленных и даже жилых помещений.
В этой статье мы рассмотрим основные особенности и преимущества эксплуатации калориферов КПСк 2-11, а также сферы их применения и принцип работы.
Купить товар
Сферы применения калориферов КПСк
Как уже говорилось, калориферы КПСк используются для нагрева воздуха в вентиляционных, отопительных установках и системах кондиционирования до оптимальной температуры, при этом не выделяются вредные химические вещества, не скапливается пыль, что позволяет делать воздух в помещении не только теплее или холоднее, но и намного чище.
Согласно техническим характеристикам, калориферы КПСК должны эксплуатироваться в закрытых помещениях, причем желательно поддерживать умеренную температуру. Это позволит увеличить срок службы прибора и не допустить скорой поломки.
Благодаря уникальной конструкции прибора, его можно использовать в качество утилизатора тепла, но для этого необходим дополнительный теплоноситель.
Конструктивные особенности калориферов КПСк
Технические и эксплуатационные характеристики любого прибора зависят от конструкции того или иного механизма.
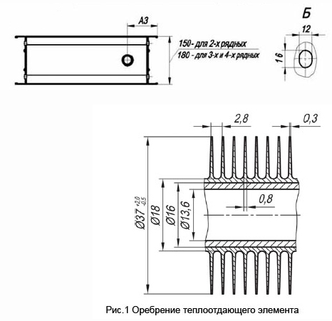
Калориферы КПСк имеют довольно простую конструкцию, состоящую из нескольких нагревательных частей, трубных досок, съемных защитных щитков и крышек.
Стоит отметить, что нагревательные элементы изготавливаются из высококачественных стальных труб, диаметр которых всего 16 на 1,5 миллилитров.
В зависимости от теплоносителя конструкция калориферов может несколько отличаться.

Принцип работы калориферов КПСк
Выше мы рассмотрели конструкцию калориферов КПСк. На основании этого можно сделать вывод, что главной составной частью прибора являются нагревательные элементы.
Как же работает калорифер? Холодный воздух или уже прошедший обработку сухой насыщенны пар попадает в модель нагревания, после чего воздушные массы постепенно превращаются в конденсат, отдавая свое тепло наружу и обогревая тем самым помещение.
Мощность прибора может регулироваться, однако при выборе той или иной модели обращайте внимание на технические характеристики и подбирайте прибор в зависимости от помещения, в котором он впоследствии будет использоваться.

Купить калориферы КПСк 2-11 в Екатеринбурге
При выборе парового водонагревателя важно обращать внимание на следующие технические характеристики:
-
давление пара – 0,1 мПа;
-
начальная температура – минус 20 градусов по Цельсию;
-
массовая скорость воздуха – 3,5 кг/м2;
-
рабочее давление – до 0,6 мПа;
-
максимальная температуры – 190 градусов по Цельсию;
-
рабочий ресурс – 9600 часов.
Наша компания «ВВТрейд» предоставляет широкий выбор паровых водонагревателей. У нас вы можете найти легендарную модель калориферов КПСк 2-11 по доступной цене.
При изготовлении данного прибора используются современные технологии и качественные материалы, также готовая продукция проходит тестирование на герметичность и надежность (проверяется целостность конструкции и ее показатели в процессе работы).