Комплексные поставки промышленного оборудования

Редуктор 1Ц2У-200-З1,5-12

 

Редуктор 1Ц2У 200Двухступенчатые цилиндрические редукторы горизонтального типа, типоразмер которых - 1Ц2У-200, вводят в состав:

  • Приводов разнообразной техники.
  • Агрегатов, посредством которых меняется частота вращения, а также величина крутящего момента.

К важным параметрам относят:

  • Производительность передачи.
  • Скорость угловая, как ведомого, так и ведущего валов.
  • Численность уровней, передач.
  • Уровень эффективности.
  • Величина передаточного числа.

Купить товар

Конструктивные особенности

Редуктор общепромышленного типа выделяется зубчатыми передачами. В маркировке прописано число, которое означает расстояние от оси промежуточного до ости выходного вала.

Отношение передаточное варьируется в диапазоне 8-40.

Располагать оборудование можно на лапах и только в горизонтальном положении. Вращаться валы могут в две стороны или же одну сторону. Допускается и перегруз представленного редуктора. Перегрузка возникает в том случае, когда осуществляется запуск мотора, а также его остановка.

На продажу поступают универсальные модели, которые отличаются литым корпусом из стали либо же чугуна. Такие агрегаты пользуются особой популярностью.

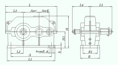
Присоединительные размеры редуктора 1Ц2У-200-31,5-12, его конструкция

Присоединительные размеры редукторов

Варианты сборки редукторов

варианты сборки редукторов

1 - концы валов под муфтой или в виде части зубчатой муфты

2 - концы валов под муфтой

3 - с выходным полым валом

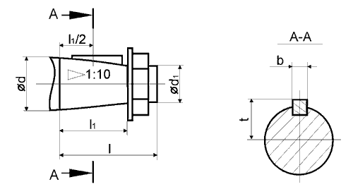
Присоединительные размеры выходных, входных валов 1Ц2У-200-31,5-12

Для муфтовых валов

муфтовый вал

Для конических валов

конический вал

Для цилиндрических валов

цилиндрический вал

Для полых валов (шлиц 1 и 2)

полый вал 1 полый вал 2

Условия применения 1Ц2У-200-31,5-12

Пользоваться такими редукторами можно в определенных условиях. Так, они подходят для периодической или же круглосуточной работы. Помимо этого, допускается работа в разнообразных режимах работы. К примеру, есть возможность реверсной нагрузки или же нагрузки в определенном направлении.

На продажу поступают устройства, которые отличаются не только климатическим исполнением, но и частотой вращения, прочими показателями. Поэтому в каждом случае можно подобрать соответствующий вариант.

Основные технические данные редуктора

  • Основные технические данные редуктораОсновные параметры прописаны в таблице, которая располагается на сайте.
  • В том случае, если подключен реверсный режим, то необходимо снижать крутящий момент на 25-30 процентов. Это позволит поддержать установку в работоспособном состоянии.

На сайте сосредоточены основные модели, к которым прилагаются технические характеристики. Стоимость можно узнать, связавшись с представителями нашей компании по телефону или же электронной почте.

Технические характеристики редуктора 1Ц2У 200

Наименование технических характеристик

Типоразмер редуктора

1Ц2У-100

1Ц2У-125

1Ц2У-160

1Ц2У-200

1Ц2У-250

Передаточные числа

8; 10; 12,5; 16; 20; 25; 31,5; 40

Допускаемая радиальная консольная нагрузка, Н

на быстроходном валу

500

750

1000

2240

3150

на тихоходном валу

4500

6300

9000

12500

18000

Номинальный крутящий момент на тихоходном валу, Н.м

315

630

1250

2500

5000

КПД

0,97

Масса, кг

20

32

95

170

320

Новости