Особой популярностью среди представленных цилиндрических редукторов пользуются такие модели, как РЦД 400-16-32-У2.
Все потому, что посредством данного агрегата можно исключить появление таких сложностей и проблем, которые имеют отношение к уровню производительности.
Подобные двухступенчатые модели активно применяются для комплектации приводов разнообразных технических средств, а также механизмов.
Такие действия осуществляются для того, чтобы изменить частоту вращения, а также внести коррективы в крутящий момент.
Пользоваться такими редукторами можно для комплектации разнообразных видов техники. Все потому, что они отличаются повышенным уровнем надежности, а также функциональностью и универсальностью.
В том случае, если вы отдадите предпочтение данному агрегату, то сможете улучшить технические показатели.
Купить товар
Присоединительные размеры редуктора РЦД 400-16-32-У2, его конструкция

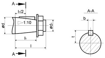
Присоединительные размеры выходных и входных валов РЦД-400
Входной конический вал:
.gif)
Выходной цилиндрический вал:
.gif)
В виде полых валов:

В виде зубчатой муфты:

Условия применения РЦД 400-16-32-У2
Пользоваться такими агрегатами можно:
-
В круглосуточном или же периодическом режиме.
-
Допускается применение редуктора в таких режимах, когда нагрузки подаются переменно, осуществляются остановки.
-
На редуктор подается, как реверсивная, так и направленная нагрузка.
-
Что касается частоты вращения, то она составляет около 1400-1500 об/мин.
-
Валы, которые входят в состав, могут вращаться в различные стороны.
-
Пользоваться такими устройствами можно только при минимальной запыленности. Исключен и контакт с агрессивными средами.
-
Агрегаты представлены в разнообразных климатических исполнениях.
Стоимость устройства зависит от величины передаточного числа, а также исполнения.
Варианты сборки РЦД-400-16-31-У2

Схемы 1 - в виде части зубчатой муфты, с концами валов под муфты; схемы 2 - с концами под муфты; схемы 3 - с полым выходным валом.
Основные технические характеристики РЦД 400
|
Номинальное передаточное число |
10 |
16 |
20 |
25 |
31,5 |
40 |
Максимально допустимая консольная радиальная нагрузка, Н |
|
Частота вращения вх. вала, об /мин |
Режим работы |
Крутящий момент на выходном валу редуктора, Нм |
Рвх max |
Pвых max |
|
РЦД - 400 |
|
500 |
Средний |
3450 |
4070 |
4020 |
4130 |
3950 |
3900 |
3800 |
23600 |
|
Тяжелый |
2450 |
2420 |
2660 |
3970 |
2660 |
3970 |
3600 |
23400 |
|
Весьма тяжелый |
2300 |
2030 |
2250 |
2420 |
2260 |
2440 |
3600 |
18000 |
|
Непрерывный |
2300 |
2020 |
2160 |
2110 |
2000 |
1950 |
2000 |
13800 |
|
700 |
Средний |
3150 |
3120 |
3410 |
31290 |
3760 |
3900 |
3800 |
23600 |
|
Тяжелый |
2300 |
2200 |
2400 |
2620 |
2490 |
2620 |
3600 |
23400 |
|
Весьма тяжелый |
2300 |
2020 |
2160 |
2220 |
2090 |
2220 |
3600 |
18000 |
|
Непрерывный |
2300 |
2020 |
2160 |
2110 |
2000 |
1950 |
2000 |
13800 |
|
1000 |
Средний |
3950 |
3940 |
3170 |
3430 |
3150 |
3450 |
3800 |
23600 |
|
Тяжелый |
2300 |
2020 |
2230 |
2420 |
2250 |
2410 |
3600 |
23400 |
|
Весьма тяжелый |
2300 |
2020 |
2160 |
2110 |
2000 |
2020 |
3600 |
18000 |
|
Непрерывный |
2300 |
2020 |
2160 |
2110 |
2000 |
1950 |
2000 |
13800 |
|
1500 |
Средний |
2580 |
2550 |
3920 |
3050 |
3990 |
3100 |
3800 |
23600 |
|
Тяжелый |
2300 |
2020 |
2160 |
2160 |
2020 |
2200 |
3600 |
23400 |
|
Весьма тяжелый |
2300 |
2020 |
2160 |
2110 |
2000 |
1950 |
3600 |
18000 |
|
Непрерывный |
2300 |
2020 |
2160 |
2110 |
2000 |
1950 |
2000 |
13800 |