В последнее время все более востребованными считаются редукторы. Все потому, что они обладают уникальными особенностями, свойствами.
Представленный типоразмер применяется для комплектации разнообразных технических средств, а также устройств. Посредством такого редуктора меняют крутящий момент, а также вносят коррективы в частоту вращения.
Среди преимуществ, коими обладает данная модель редуктора, можно выделить продолжительность эксплуатации, повышенную мощность.
Помимо этого, агрегатом пользуются для оснащения станков, а также определенной техники. Среди прочих моделей выделяют именно РМ 500. Ведь степень их надежности достаточно большая.
Купить товар
Область применения редукторов РМ-500-50-22М-У2
Пользуется для комплектации станков и техники. Посредством данного редуктора корректируется частота вращения, крутящий момент.
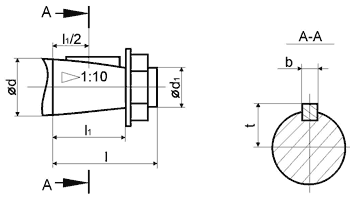
Присоединительные размеры редуктора РМ-500

Присоединительные размеры входных/выходных валов РМ 500-50-22М-У2
Для муфтовых валов:
.gif)
Для входных конических валов:
.gif)
Для выходных цилиндрических валов:
.gif)
Условия применения редуктора РМ-500
-
Нагрузка может быть, как переменной, так и постоянной. Ее направление может меняться или же иметь одно направление.
-
Допускается активное использование, применение с остановками. При этом вращение вала может быть любым.
-
Входной вал вращается с частотой в 1400-1500 оборотов за минуту.
-
Допускается эксплуатация агрегата в обширном температурном режиме.
-
Устройство может работать в запыленном помещении. Но при этом воздействие агрессивных сред стоит ограничить.
-
Устройство представлено в нескольких климатических исполнениях.
Технические характеристики РМ-500-50-22М-У2
-
Устройство выделяется цилиндрическим типом передачи.
-
Расстояние меж осями – около 500.
-
Вес – 250-500.
-
Оси сосредоточены параллельно.
-
Численность передаточных ступеней достигает двух.
-
Агрегат имеет несколько вариантов климатического исполнения.
-
Устройства отличаются и способом сборки, а также передаточным отношением.
Варианты сборки для редукторов РМ
.gif)
Пример обозначения редуктора РМ-500 при заказе
Так, указывать нужно следующие аспекты:
-
Класс размещения и климатического исполнения.
-
Особенности выходного, а также входного вала.
-
Выбранный вариант сборки.
-
Передаточное число номинальное.
-
Расстояние меж осями.
-
Разновидность редуктора.
Правильно указав все аспекты, можно легко заказать оборудование, которое имеет соответствующие характеристики и показатели.
Основные технические характеристики редукторов РМ
|
Частота вращения входного вала об/мин |
PБmax |
PТmax |
PMmax |
PБmax |
PТmax |
PMmax |
PБmax |
PТmax |
PMmax |
PБmax |
PТmax |
PMmax |
|
РМ-250 |
РМ-350 |
РМ-400 |
РМ-500 |
|
600 |
3,1 |
24,0 |
19,1 |
3,8 |
24,0 |
18,4 |
3,3 |
27,0 |
24,90 |
4,3 |
23,5 |
21,3 |
|
750 |
2,9 |
22,0 |
17,6 |
3,5 |
22,5 |
16,9 |
3,0 |
25,5 |
23,60 |
4,0 |
22,0 |
19,6 |
|
1000 |
2,6 |
20,5 |
16,0 |
3,1 |
20,0 |
16,0 |
2,7 |
22,5 |
21,65 |
3,5 |
19,5 |
17,7 |
|
1250 |
2,4 |
19,0 |
15,0 |
2,9 |
18,5 |
14,0 |
2,5 |
22,0 |
20,25 |
3,2 |
18,0 |
16,4 |
|
1500 |
2,4 |
18,5 |
14,2 |
2,9 |
17,5 |
13,7 |
2,3 |
21,0 |
20,1 |
3,0 |
17,0 |
16,45 |