Мотор-редуктор представляет собой особый тип механической конструкции, принцип работы которой основан на сопряжении редуктора и электронного двигателя (при этом они располагаются в одном отсеке аппарата). Популярной моделью современного, усовершенствованного мотора-редуктора является 4МЦ2С-100.
Сфера его применения - это машиностроение и другие виды промышленности. Аббревиатура может меняться в зависимости от модификации и монтажного исполнения.
Оборудование также может быть оснащено разными электродвигателями, поскольку каждый из них предназначен для выполнения конкретной задачи.
Применение мотор-редукторов 4МЦ2С-100-90-4,0-G 110-ЦУЗ
Основное направление использования данного прибора - в качестве самостоятельного узла в составе самых разных производственных линий, чаще всего это всевозможные дробилки, цементное производство или хлебозаводы.
Такая направленность обусловлена высокой производительностью агрегата.
Купить товар
Условия применения мотор-редукторов
Правильное использование данного агрегата предполагает соблюдение следующих параметров:
• Длительность использования (режим работы от 8 до 24 часов);
• Применение переменного тока частотностью порядка 50 Гц;
• Вращение выходного вала производится во все стороны;
• Наличие неагрессивной внешней среды (при этом содержание пыли не должно превышать отметку в 10 мг/м3);
• Разрешается нахождение прибора в климатических условиях третьей категории;
• До 1000 метров над уровнем моря.

Пример условного обозначения при заказе
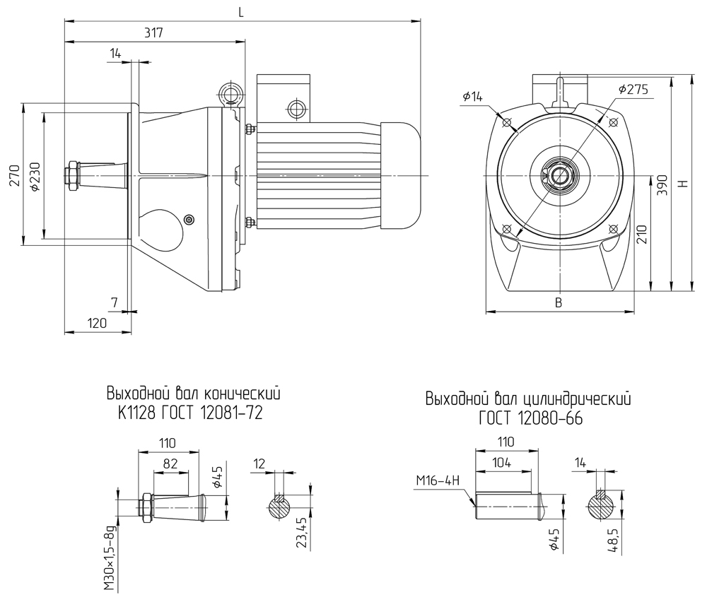
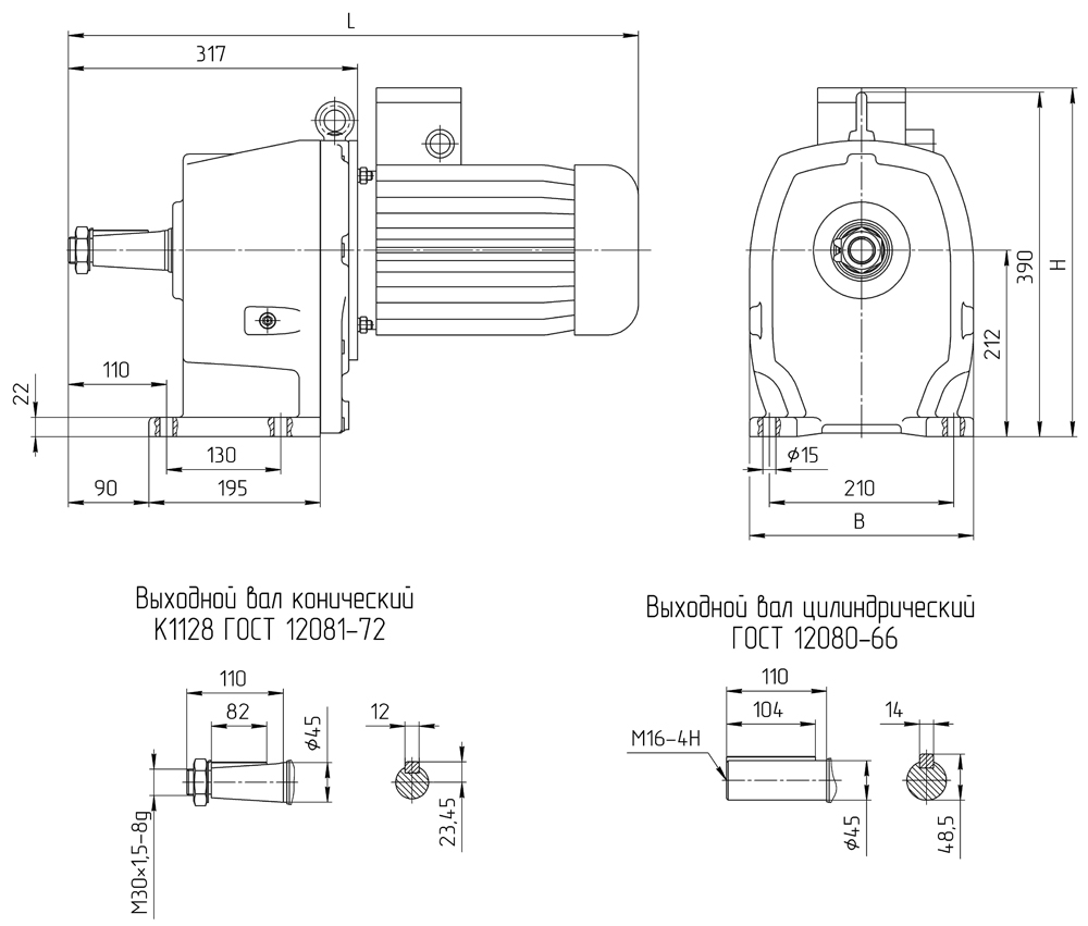
На сегодняшний день в магазинах можно приобрести данный прибор со следующими техническими характеристиками:
• Цилиндрическая двухступенчатая конфигурация;
• Межосевой промежуток, равный 10 сантиметрам;
• Частота вращения выходного вала составляет 90 оборотов за минуту;
• С мощностью двигателя 4 кВт;
• Точность второго уровня;
• Рабочее напряжение сети равняется 380 В.
Обратите внимание, что представленные характеристики могут различаться в зависимости от выбранной вами модели.

Покупая данное оборудование, в обязательном порядке нужно проверить целостность всей конструкции, а также проконсультироваться со специалистом, чтобы подобрать нужный именно вам вариант. Конечная цена прибора будет зависеть как от его модификации, так и от компании-производителя.
Оформить заказ на выбранный товар можно по телефону, указанному на официальном сайте компании "ВВТрейд" в разделе «Контакты». В интернет-магазине постоянно действуют различные акции для оптовиков и покупок в розницу.