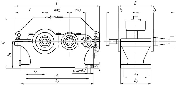
Предназначение прибора
Назначение цилиндрического механизма с горизонтальным ориентированием и
двумя ступенями передач –изменение крутящегося момента двигателя и уменьшение периода обращения.
Применяясь в различных машинах и агрегатах, устройство работает на основе масла и требует горизонтальной установки на твёрдую опору.
.png)
Купить товар
Данный механизм используется в ниже перечисленных условиях:
-
нескончаемая и переменная грузовая передача, направлена в одну или разные сторону;
-
работа непрерывная или периодическая;
-
разносторонняя раскрутка валов;
-
частота оборотов в минуту первого вала не должна переходить показатель 1500;
-
при загрязнённом воздухе (менее 10 мг/куб.м.) наличие первого и второго типов атмосферы по ГОСТ 15150-69;
-
климатические разработка У и Т для видов установки от 1-ой до 3-ей, УХЛ и О – для 4-ого типа размещения по ГОСТ.
.jpg)
При покупке механизма необходимо обратить внимание на важнейшие обозначения:
-
1Ц2У – разновидность устройства;
-
160 – расстояние между осями;
-
20 – предельное передаточное число;
-
12 – способ сборки;
-
ЦЦ – вариант разработки входного и выходного валов, которые могут иметь форму конуса;
-
У1 – климатическое исполнение и тип установки.