На сегодняшний день цилиндрические редукторы – это наиболее часто встречаемые механизмы в различных агрегатах, машинном оборудовании и дополнительных приспособлениях.
Цилиндрический редуктор РЦД-400-40 представляет собой двухступенчатый механизм, которые применяется в машиностроении, в приводах машинных агрегатов, в частности для изменения скорости и периодичности вращения крутящих элементов.
В этой статье мы рассмотрим основные сферы применения цилиндрических редукторов, их особенности и преимущества эксплуатации.
Также немаловажным критерием выбора являются технические и конструктивные характеристики товара.
Купить товар
Конструктивные особенности и условия эксплуатации
Цилиндрические редукторы этой модели предназначены для использования в самых разных условиях.
Так, например, подобные механизмы доказали свою эффективности при:
-
длительной работе с периодическими остановками (редукторы поддерживают нормальную работу в течение 24 часов);
-
интенсивной работе с перерывами, а также без остановок;
-
реверсивной нагрузке или нагрузкой одной направленности;
-
частоте вращение крутящего элемента машины до 1500 оборотов в минуту;
-
разнонаправленных вращениях крутящего элемента оборудования.
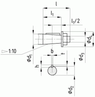
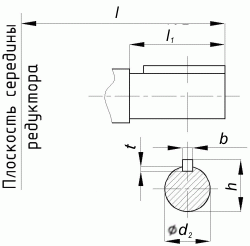
Что же касается конструкции редукторов, то тут стоит отметить постоянное совершенствование механизма в этой области.
Выпущенный в 1964 году редуктор работал на основе эвольвентного косозубого зацепления цилиндрической колесной установки, однако уже с 1968 года модель стала изготавливаться с использованием зацепления Новикова.
Изменения также коснулись количества и расположения зубьев и модуля циклических редукторов. Компания выпускает разные вариации этой модели, каждая из которых имеет свои особенности.

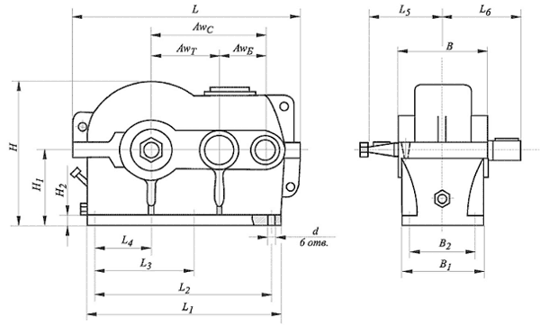
Технические характеристики
В нашей компании «ВВТрейд» вы можете приобрести цилиндрические редукторы модели РЦД–400 по доступным ценам.
Товар имеет следующие технические характеристики:
-
межосевое расстояние – 40 сантиметров;
-
РЦЦ – тип механизма;
-
У2 – категория использования в климатических условиях;
-
передаточное число – 40.
Наша компания предоставляет большой выбор цилиндрических редукторов.
У нас вы можете купить качественный механизм, при этом вам не придется тратить деньги на установку и доставку товара.
Мы предоставляем доставку во все регионы Российской Федерации.
Подробную информацию о товаре, расценки и технические характеристики можно узнать на сайте фирмы, или позвонив по номеру и проконсультировавшись с нашим специалистом.
