Среди современных червячных мотор-редукторов одноступенчатого типа выделяется МЧ-160. Эту модель выпускает ООО «Завод Редуктор».
В состав данного оборудования входят такие компоненты, как электрический мотор, редуктор одноступенчатый, отличающийся червячной передачей.
Такой мотор-редуктор активно используется для комплектации разнообразной техники, которая отличается типом привода.
В состав данной модели могут входить полые, цилиндрические или же конические типы валов, которые дополнены шлицем. Непосредственно привод поставляется в 4 вариациях.
Купить товар
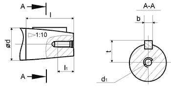
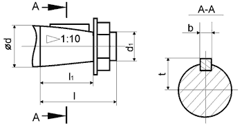
Присоединительные размеры выходного вала МЧ-160-80-11,4-51
исполнение Ц – цилиндрический:

исполнение Кв – конический с внутренней резьбой:

исполнение Кн – конический с наружной резьбой:

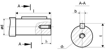
Присоединительные размеры полых валов
Пшл – полый, шлицевой; Пшп – полый, шпоночный

При этом на сайте предприятия-производителя можно найти основные параметры, габариты и технические характеристики таких элементов, как электрический двигатель, тихоходный вал, прочее.
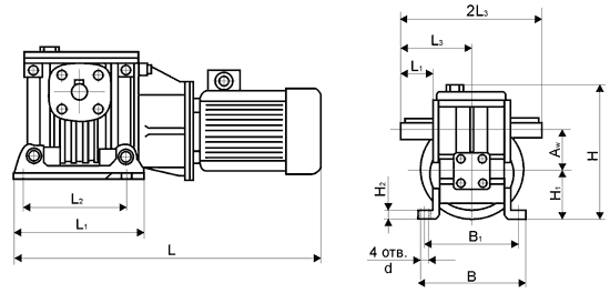
Габаритные и присоединительные размеры мотор-редуктора

Варианты крепления мотор-редуктора МЧ-160

1 и 2 - крепление на лапах, 3 и 4 - фланцевое исполнение
Варианты сборки

Редуктор с полым шлицевым тихоходным валом - варианты 55 и 66. Варианты сборки указаны при расположении червяк под колесом.
Варианты расположения червячной пары МЧ-160

К - колесо, Ч - червяк. Схема в вертикальной плоскости. Варианты 3 и 4 указывают на положение, в котором выходной конец червяка расположен со стороны наблюдателя.
Условия использования редукторов МЧ-160
Пользоваться таким мотором-редуктором можно в разнообразных условиях:
-
Как постоянная, так и переменная нагрузка не должна быть больше, чем зафиксированный в технической документации крутящий момент.
-
Входящие в состав валы вращаются в две стороны.
-
При подборе модели важно учитывать условия эксплуатации. Ведь агрегаты отличаются климатическим исполнением.
-
Пользоваться устройством можно и на определенной высоте. Так, допускается высота в 1 000 метров и более.
Особенности червячного мотор-редуктора МЧ-160-80-11,4-51
Представленная модель МЧ-160 может применяться только во взрывобезопасной и неагрессивной среде.
К ключевым преимуществам причислены такие, как повышенная надежность, длительность эксплуатации, а также возможность восстановления работоспособности.
Для того, чтобы узнать стоимость агрегата, стоит связаться с нашими сотрудниками, ведь цена зависит от передаточного числа, а также варианта исполнения.
Технические характеристики мотора-редуктора МЧ-160 следующие:
-
передаточное номинальное число составляет: 8; 10; 12,5; 16; 420; 25; 31,5; 40; 50; 63 и 80;
-
частота вращения входного вала составляет 1500 об/мин.;
-
номинальный крутящий момент на выходном валу составляет: 1860; 1760; 1670; 2190; 1860; 1860; 2460; 2080; 1860; 1760 и 1480;
-
максимальная мощность электродвигателя при 1500 об/мин. составляет: 37,1; 28,3; 21,8; 22,5; 15,7; 12,9; 14,1 ; 9,7; 7,3; 5,7 и 3,9 кВт.;
-
КПД составляет: 94; 93; 92; 91; 89; 86; 83; 80; 76; 73 и 71%;
-
допускаемая радиальная нагрузка на входном валу составляет 1200 Н., а на выходном - 12150 Н.;
-
корригированный уровень зв. мощности - 94 ДБА;
-
электродвигатель - АИР 100, АИР 112, АИР 132;
-
номинальный крутящий момент на выходном валу дан при повторно-кратковременном режиме при ПВ 40%;
-
весит мотор-редуктор МЧ-160 не более 130кг.
Основные технические характеристики МЧ-160
|
Передаточное число номинальное
|
8
|
10
|
12,5
|
16
|
20
|
25
|
31,5
|
40
|
50
|
63
|
80
|
|
Частота вращения вх .в ала , об/мин
|
1500
|
|
Номинальный крутящий момент на вых .в алу , Н·м
|
1860
|
1760
|
1670
|
2190
|
1860
|
1860
|
2460
|
2080
|
1860
|
1760
|
1480
|
|
Максимальная мощность электродвигателя при 1500 об / мин , кВт.
|
37,1
|
28,3
|
21,8
|
22,5
|
15,7
|
12,9
|
14,1
|
9,7
|
7,3
|
5,7
|
3,9
|
|
КПД, %
|
94
|
93
|
92
|
91
|
89
|
86
|
83
|
80
|
76
|
73
|
71
|
|
Допускаемая радиальная нагрузка, Н
|
вх .в ал
|
1200
|
|
вых .в ал
|
12150
|
|
Корригированный уровень зв .м ощности , ДБА
|
94
|
|
Масса, кг не более
|
130
|
|
Электродвигатель
|
АИР 100, АИР 112, АИР 132
|
|
Номинальный крутящий момент на выходном валу дан при повторно-кратковременном режиме при ПВ 40%
|