
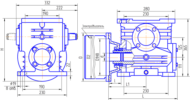
Одноступенчатые редукторы данной серии с механической передачей, осуществляющейся зацеплением червяка, созданы для использования в роли приводов у машин общего назначения.
Отличительной особенностью устройств от моделей иных компаний является высочайшее качество и небольшая цена.
Каждая стадия производства строго контролируется специалистами, благодаря чему клиент может быть удостоверен в качественности и долгосрочности оборудования.
Контроль качества производится как непосредственно человеком, так и определёнными программами.
Механизированная проверка уменьшает вероятность поступления брака на рынок.
Купить товар
Особенности применения мотор-редукторов
Из-за своей многофункциональности приборы этой серии можно применять в многих сферах промышленности.
Мотор-редукторы МЧ100 с червячной передачей необходимо использовать при действии переменной и постоянной нагрузки.

Из-за двустороннего вращения вала агрегата производительности приводного прибора не изменяется ниже установленного показателя.
Покупатель может приобрести следующие варианты исполнения: УЗ, Т2 (ГОСТ 15150-69), отметка над уровнем моря не должна быть более 1 километра, в случае превышения данной высоты нужно соблюдать положение 183-74.

Внешняя среда ─ неопасна и неагрессивна. Если возникли вопросы при использовании мотора-редуктора, вы можете в любой момент задать их нашим управляющим.
При заказе следует обратить внимание на обозначения редуктора. Вот один из примеров:
-
МЧ – вид мотор-редуктора;
-
100 – расстояние между осями, выраженное в миллиметрах;
-
16 – передаточное число;
-
90 – периодичность вращения выходного вала в оборотах на секунду;
-
1,5 – мощность двигателя в кВт;
-
52 – способ сборки;
-
4 – тип прикрепления;
-
3 – местонахождение червячной пары;
-
К1 – вариант конца выходного вала;
-
У1 ─ климатическая реализация и способ размещения.